Dave's Pages

Home Up

 

Steering

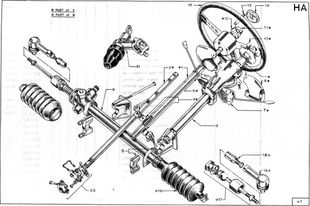
The Europa uses the steering setup from a Triumph Herald or Spitfire.  It is quite lightly built and seems a bit chintzy, especially the rack, again compared to the cast alloy unit from a Porsche.  My constant comparison of the two probably irritates the Lotus purist, but well, he probably deserves it.  The Porsche purist deserves to be even more irritated, but I'm not sure quite how to go about it, or when, because he's pretty smug.   Perhaps I'll document precisely how the Lotus outperforms the Porsche, as I expect it will.

Nice Rack!  Wire brushed and degreased for painting.

Pretty or not, this rack had a problem.  Once per rotation it went 'clunk' , suggesting a damaged pinion tooth or more likely some debris packed in between pinion teeth.  Every piece on this car has issues.  I'd wanted to pull the pinion out, but it appears to be staked in as well as held in with a circlip.  I elected to simply flush all the old grease out while working the mechanism. Another few hours gone, but the clunk is gone. 

Here's where the pinion is staked in place. (retaining clip has been removed.)  Despite its appearance, the pinion is concentric in the housing.

Two racks, one good outer tie rod end.  You can see that two of the three tie rod ends appear longer.  These are from the S2 and have extenders (#18 in the drawing above) screwed into them.

 

Here's the 'preload' assembly.  I added the grease zerk.

Here's a closeup of the ends of the rack.  On the TC rack, (rear of the pic and greasy) you can see the passengers' side spacer installed, plus a large hex spacer outboard of that.  There's one of those on each side.  The TC rack is 45" wide incl the track rods but not the ends, and the S2 rack is 41" wide without its track rod extenders.  The TC tie rods are 6 3/4" long (not incl. the ball) and the S2 units are 6 3/8" wide.  The TC hex spacers are 1 7/8 long.

Here's the spacer which is installed on the passenger's side.  It  just fits over the rack and is 65mm or 2 17/32" long.  The TC rack has the identical setup.   The spacer appears in the TC parts manual, but not the S2 manual.  It must be hiding under the gaiter.

  Here's a pic from Moss motors, you can see there's a spacer, item 24, which they describe as 'bush, passenger's side'.  Note the lack of the TC's hex spacers or th3e X2s track rod extenders.  So depending on the stock track rod length, it appears that Spit rack be a direct sub for the Europa, provided you have either the big hex spacers or the track rod extenders.